按:北京在昨日夜里迎来了这个兔年的第一场雪,未来两天的气温也会持续走低,最低气温将下探到零下14度。
但是要知道,在明清两代的中国北方地区,冬天的气温更低,那时候处于中国历史上第四个寒冷期,即“明清小冰期”,一年中约150天属于冬天,最低气温可达零下30摄氏度。但是当时的故宫古建筑里也是很温暖的,人们用了哪些方式来取暖呢?
一、地暖
与现代人冬季采用的水地暖(在地板下埋设水管,以热水为热媒,在水管内循环流动,加热地板)或电地暖(在地板下埋设电缆或电热膜,使之加热地板)方式不同,明清时紫禁城采取的地暖为烧火供暖,俗称“火地”或“暖地”。
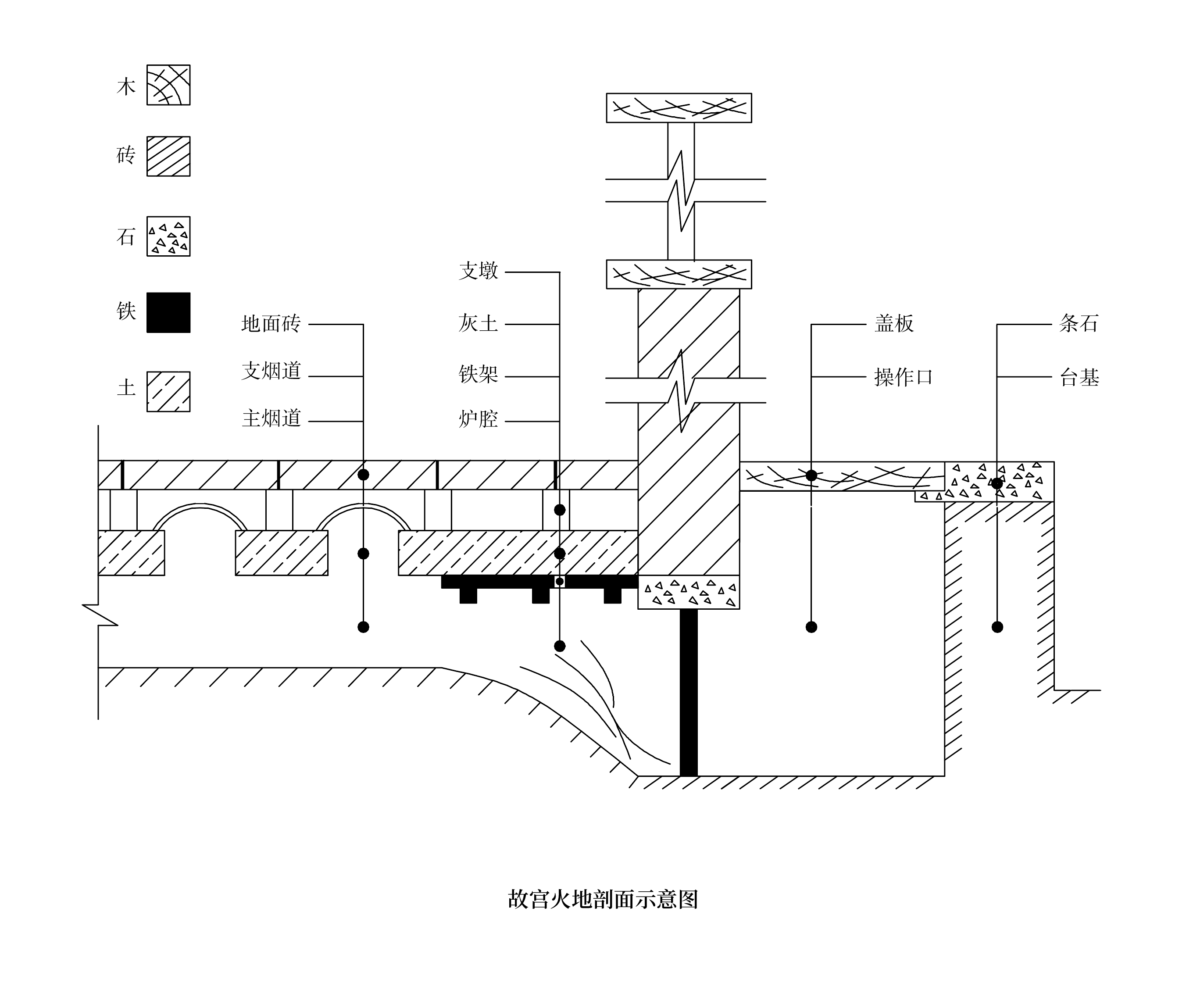
火地是故宫古建筑的一种地下供热系统,由位于窗户外面的地下操作口、窗户里面的地下炉腔、室内地面砖下面的火道组成。其基本原理为:宫廷服务人员身处操作口内,将柴火或木炭置入炉腔内燃烧,炭火产生的热源沿着火道路径扩散,并由地下的出烟口排出,其间加热地面砖,利用地面自身的蓄热和热量向上辐射的规律由下至上进行传导,从而保持室内的温暖。
操作口位于窗户外面的地面以下,尺寸一般为0 . 8 米×0 . 8 米×1 米(长×宽×高)。操作口在不使用时会被厚木板盖上,以防止小动物钻入,并有利于宫中人员在室外行走。


编号1的位置为烧炭人员的操作口。在明代,紫禁城负责烧炭的人员由惜薪司安排,惜薪司于康熙十六年(1661)改为营造司。烧炭人员进入操作口,可往室内的地下炉腔填炭火。操作口在室外,烧炭人员站在操作口可隔着窗户看见室内,与室内人员交流,以便及时增减炭火,保证室内温度的适宜。操作口还可以避免炉腔火源产生的烟雾在室内蔓延而导致的安全隐患。

编号2的位置为火源所在地,即炉腔。炉腔与操作口之间的位置为送炭口,以铁篦子及炉门进行封护。铁篦子用生铁铸造而成,其边框截面尺寸较大,两端固定在墙上,上部支撑槛窗下面的墙体。铁篦子防止人从地下钻入室内,炉门则用来防止热源往外扩散。炉腔的上方为铁架子,亦为铸铁制造,主要是为了增加支撑强度,以承担上部地砖传来的重量,并用于承受烧炭产生的高温。
烧炭后,热量沿着编号3 → 4 的方向往室内地下扩散,该方向被称为主烟道;热量还会向4 → 5 的方向,以及与4 → 5 平行的方向扩散,4 → 5 方向被称为支烟道。主、支烟道的分布方式犹如蜈蚣,因此被俗称为“蜈蚣道”。需要说明的是,由于热量是由下往上走的,因而火源位置位于室内最低点,主烟道从火源位置向室内延伸时,其高度逐渐增大,剖面呈斜坡上升状。这样一来,热量就可以较为迅速地向远处扩散。
地下热量经过主、支烟道扩散到室内地下的各个位置,然后通过出烟口(编号6、编号7)排向室外。由于火源产生的绝大部分热量已在室内地下扩散,因而从出烟口排出的热量已经非常少了。
故宫火地烧炭实际不会产生多少烟雾。这是因为,故宫取暖使用的木炭,是一种用通州、大兴、易州一带山中硬木烧成的红箩炭。这种木炭“气暖而耐久,灰白而不爆”,质量非常好,燃烧时几乎不冒烟。木炭燃尽产生的炭灰被收集起来,用作马桶、便盆中的衬垫物。
为避免小动物从出烟口钻入室内地下,出烟口往往会砌上铜钱纹样的镂空砖雕,既实用又美观。
二、暖阁与火炕
所谓暖阁,即在有火地的建筑内(尤其是内廷帝后寝宫),用木隔断将这部分区域与宫殿建筑的其他区域隔开,使之成为一个较为封闭的小空间,能够保持恒定的温暖状态。坤宁宫在明代为皇后寝宫,其最东边两间房在清代被当作皇帝大婚的洞房,改造方式与暖阁做法一致,因而被称为“东暖阁”。
故宫内的火炕则是利用火地的热源,在建筑内(尤其是靠近窗户位置的区域)设置木制的长方体台座(可在不用时拆卸),便于帝后在冬天的日常起居活动。火炕在满族一直很盛行,它既是寝息的设施,又是取暖的设施。明思宗崇祯十七年(1644)清军入关后,满族皇室将火炕大规模的运用到了故宫的内廷建筑中
三、关于“火墙”的传言
关于故宫古建筑如何取暖,流传着一种“火墙”的说法。传言认为,皇宫内的墙壁都是空心的“夹墙”,俗称“火墙”,墙下挖有火道,添火的炭口设于宫殿外的廊檐下,炭口里烧上木炭,热力就可顺着夹墙温暖整个大殿;皇帝办公的三大殿(一般指太和、中和、保和三大殿)、养心殿以及部分寝宫的墙均是空心的,殿内地砖下面砌有纵横相通的火道,直通向殿外的地炉子。这些说法都是错误的,从工程实践来看,目前尚未发现故宫的墙体存在“火墙”。
“火墙”的说法应该是故宫“防火墙” 的误传,大众把“防火墙”理解成了“火墙”,与故宫内的“火地”混为一体。事实上,故宫的前朝三大殿既没有“火墙”,也没有“火地”,皇帝冬天在三大殿举行重要活动时,主要用炭火盆取暖。
当然,故宫古建筑的墙体也属于重要御寒构造之一,墙体很厚,如太和殿墙体厚度达1 . 45米,可起到良好的保温隔热效果。部分内廷建筑墙体的室内一面还增设了木制墙板,墙体与木墙板之间的架空层可进一步阻止外来低温的入侵,有利于建筑内部保暖。
版本: 世纪文景 / 活字文化·上海人民出版社 2023-1
本文图文节选自《故宫建筑细探》一书,经出版社授权发布
