文|范志辉
尽管早前因票务问题饱受争议,但此次腾讯视频LiveMusic王菲“幻乐一场”演唱会可以说是迄今为止国内互联网演唱会在线直播历史上规格最高的一次演出直播。

据统计,在演唱会开始不到10分钟时,直播观看人数就已突破370万,随后逐渐突破1000万人,这一数字最终达到了创纪录的2149万。这是任何一个演出中心都不可能达到的规模,也必成为演唱会在线直播史上的一个重要转折点。
下面,新观将为各位独家解读——此次腾讯视频LiveMusic王菲“幻乐一场”演唱会背后的故事。
高标准制作理念,打造极致临场体验
腾讯视频LiveMusic王菲“幻乐一场”演唱会只此一场,如何用“不一样”的影音传播特别气质的王菲演唱会,是本次直播的最大挑战。
腾讯视频LiveMusic根据以往直播的大数据调查得知,大多数用户在观看直播时,会选择APP端或者电脑端。考虑到移动终端和PC终端用户的感受,在技术不断发展的今天,如何运用最新的、最恰当的技术,传递并演绎给终端用户,带给用户更优质的体验,是保证直播体验的关键。
为展现表演者的个人特点和优势,传达演唱会过程中的内外场气氛,根据演唱会的现场条件和特点,腾讯视频本次制作使用了15个机位,并使用了较多的特种设备,以更多的运动镜头和更为全面的角度,来展现相对安静的演唱者与时光隧道一般不断变化的舞台。

同时,为了更好的体现腾讯视频这个播出平台对本次直播的贡献,全程利用外景机位作为演唱会分段的流程标志性镜头。整场晚会使用维斯设备进行包装,实现包装风格与舞台设计风格的完美统一。
从本质上说,演唱会这一表演形式是声音与视觉相辅相成的表演形式,落到在线直播层面,视觉和声音既是核心要素,也是难点所在。在转播系统层面,腾讯视频首次尝试了先进的4k设备拍摄和IP传输方式,全流程高清播出。声音传播层面,本次演唱会由杜比负责声音制作,推出杜比环绕声直播。这样作为王菲的乐迷,就可以使用搭载杜比声音技术的手机,获得如临现场的震撼声音效果,享受天后带来的独一无二的演唱。
幻影:4k、IP架构转播系统,国内甚至全亚洲首次
作为腾讯视频年底最重要的项目,为了给观众带了更好的视听体验,更丰富逼真临场感、沉浸感,腾讯视频在本次演唱会中大胆采用了4K&全景声全流程制作。
本次演唱会使用的视频系统架构为端到端全流程的GV 4K/HD IP架构解决方案,在国内乃至亚洲是第一套4K 、IP架构的系统。为此,腾讯视频还特别请来了具有4K直播经验的德国TV SKYLINE作为本次直播的技术顾问。后者参与的大型项目有世界杯、欧洲杯、德甲、夏季奥运会和维也纳新年音乐会等,转播服务经验丰富。
4K IP架构系统最直观的好处能大大简化系统连线,系统会有更好的灵活性和可扩展性。同时,使用基于数据中心架构的实时视音频IP处理平台GV Node,能融合处理IP&SDI混合信号,同时采用2SI模式,能保证4K/HD制作流程相同。而从设备开始上架集成到完成系统、完成最终调试,仅用了2周的时间。

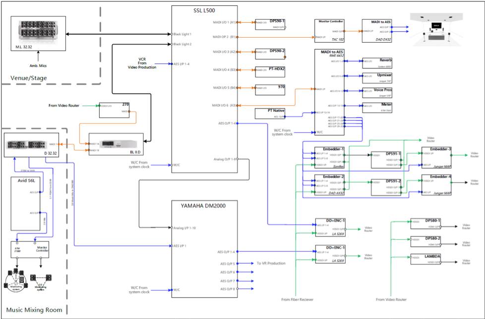
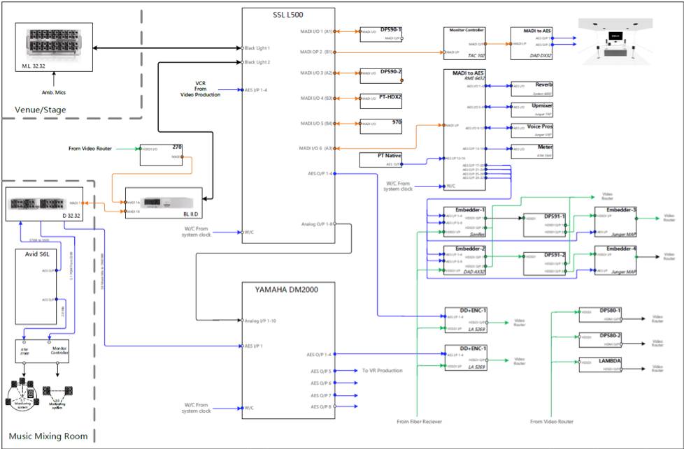
据传从腾讯视频团队内部流出的视频系统图
整个视频系统制作为4K IP 全流程制作、切换、录制、监看,HD直播传输的方式。共采用15个机位,其中4个机位是特种设备,以外来信号的形式进入系统;系统使用的3M/E 4K切换台,480GB带宽处理的GVNode作为核心处理设备;录制采用K2录制主备PGM,Clean 4K信号,EVS录制4通道 4K单机位信号,shogun录制所有单机位1080P格式信号;最终的直播信号经过下变换成HD格式直播传输。
幻音:全景声制作,采用顶级声音配置
作为华语乐坛顶级歌手,整场演唱会均采用业内顶级设备与团队,利用尖端技术打造出一场年关音乐盛宴,为听众带来全新的音乐体验。
此次演唱会采用了全景声制作等诸多全新的技术,这无疑对整体声音设计提出了全新的要求。在VR等技术手段的作用下,声音也从传统直观的音乐传播迭代为具备渲染虚拟环境、增加临场感等诸多新的功能。同时,线上播出区别于现场观看的体验,还要受限于回放终端设备。如何通过平板电脑、PC、手机等移动终端实现最大程度还原现场的感受。
如何响应声音设计的需求以及如何配合其他技术,共同增强线上用户的视听体验,是音频系统设计的一个重要任务。
音频制作方面,腾讯视频特别聘请了国内顶尖的声音制作专家,为本次演唱会提供杜比全景声制作方案,在线上播出终端提供杜比环绕声。其中音频制作顾问由杜比公司声音顾问娄炜担任,音频设计师由杜比实验室技术总监张岩,这两位参与过“2014汪峰鸟巢演唱会”、《中国好歌曲》《中国好声音》等多档音乐类项目的声音制作。

最终确立的音频系统构架以48KHz采样率、24Bit深度为标准,以AES10标准 MADI 协议及 AES3标准 AES/EBU协议方式传输为主。数字化多通道传输构架令复杂的制作系统及OB流程得到最大程度的简化。远端接口箱以多模光纤MADI 协议嵌套Black Light接口进行传输,确保安全传输的同时极大简化长距离线缆敷设数量,有效降低安全威胁及系统搭建难度。

据传从腾讯视频团队内部流出音频系统构架
为了满足顶级品质的声音需求,加之王菲自身声音属于较为空灵纯粹,在设备选型上最终采用英国Solid State LogicLive L500 Plus。Logic Live 500 Plus数字调音台采用其自身专利技术的Super Analog话放,其有任何音染的声音将顶级录音棚中的音质带至播出环节。
另外在制作方面系统中还设计了2套 ProTools|HD系统,利用其强大的多通道录音、放音功能,搭配 MADI 接口接驳至Live 500 Plus调音台,轻松实现现场分轨的录制与播出信号的音效制作播放等功能。

至此,在节目制作端通过众多业内顶级设备,以Live 500 Plus调音台为核心的系统构架得以实现;顶级的话放确保源信号的品质,强大的矩阵确保核心路由的灵活,多元化周边设备实现高品质节目质量,完善的录音、放音子系统为日后的资料保存及再次制作提供了充分的素材。
基于DD+优异的高压缩比特性及前瞻性的广泛适应性,此次演唱会在传统环绕声节目播出的同时,在音频系统设计上还存在沉浸式声音体验——Dolby Atmos全景声。此外,依托于DD+的自适应特性,它能根据解码设备的自身特点从而自动匹配声音播出方式,结合全景声开创性的对象式声音处理方式,令所有可解码终端均能得到与之匹配的最佳效果。
幻像:15个摄像机位,其中6台为特种设备
随着声光电元素在演唱会中的运用越来越广泛深入,各种专业音响设备、特种设备基本成了大型演唱会的标配。

需要注意的是,特种设备拍摄依靠的不仅仅是先进的设备,更依赖一个优质的服务团队。本次演唱会的特种设备操作邀请的是国内最早建立的高端特种设备服务团队,曾接受荷兰、德国、奥地利、比利时等国家不同设备专家的培训。而特种设备的安装和使用,也需要特别的场地勘察和反复沟通协调,根据现场实际情况量身定做应用方案,做到物有所值,“不为技术而技术”。
本次演唱会直播共设置了15个摄像机位,其中6台为特种设备摄像机,包括有国内最新进口的MovieBird52大型电动伸缩摇臂,来自德国的MAT Towercam XS+电动伸缩塔系统,德国BLACKCAM B40微型电动轨道拍摄系统,还有来自西班牙的Scorpio Micro Head电动遥控云台以及在电视转播中已经应用很广泛的Q-BALL球型遥控摄像机等等。
通过这些特种设备能为观众提供更多角度、更独特运动轨迹的视觉感受,为个人演唱会创造出更多镜头的新意,避免气氛单调沉闷,创造时空变幻的意象。
幻觉:秉承简约、高端,打造视觉包装
为配合王菲的幻像意境,本次演唱会的灯光和舞美还由主办方专门聘请了日本设计师来制作。视觉元素以现场演唱为核心,大气、简洁、现代,十分契合王菲本人的特点。整场晚会分为五个部分,每一部分的风格和视觉元素都有区别,灯光造型或者舞美造型也做了相应设计。
同时,演唱会还首次尝试4K的VR植入,并实现了多个技术难点创新和突破。比如,首次将唱词植入VR虚拟现实系统,让不同终端的线上观众体验相同的唱词内容,提升线上网友的观看体验。
此外,针对此次演唱会外部景观机位的特点,技术团队大胆创新,将原本外部AR需要部署的电源线、摄像机光缆、跟踪信号线缆,三线合一,实现了只需要一根摄像机光缆就可以将跟踪数据处理器电源、数据、摄像机信号实现稳定回传的需求。大大减少了外场机位部署的工作量,提升了工作效率与系统灵活性。
作为一次高标准、严谨、流程化的直播节目制作,腾讯视频以开阔的眼界和专业的精神,为国内再现演唱会乃至新媒体高端节目直播制作创立了一个行业标准。
 
     
    
     
                
